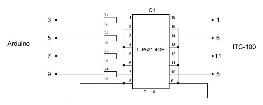
Старожил сообщества стримеров AVStream в телеграмме и руководитель GAGARA Production Павел Кайдашев, выложил в общий доступ схему подключения и файлы для Arduino для реализации работы Tally с интеркомом Datavideo ITC100 и vMix.
На 4 канала схема состоит из оптотранзистора и 4-х резисторов по 1кОм.
Я схемку собрал на макетной плате, так же купил Ардуино Нано. Нумерация выходов в соотвествии со схемой подключения интеркома:
Распиновка входных разъёмов на интеркоме в картинках. Сооствественно если нужно задействовать все 8 каналов, то нужно делать двойную схему:
Прошиваем Ардуино стандартной прошивкой Фирмата: http://avstream.ru/upload/arduino/firmata_test.exe.zip
Скачиваем Arduino Tally Lights.exe http://avstream.ru/upload/arduino/ArduinoTallyLights.exe
Ардуина у меня в корпусе. Шлейфом цифровые выходы идут на макетку с резисторами и оптотранзистором. Макетку прикручена к стенке кофра внутри. От нее идёт провод с разъемом уже на интерком.
По прошивке ардуины, есть просто море инфы в интернете. Все делается довольно просто в течении минуты. Самое сложное может быть как раз сборка опторазвязки.
На 4 канала схема состоит из оптотранзистора и 4-х резисторов по 1кОм.
Я схемку собрал на макетной плате, так же купил Ардуино Нано. Нумерация выходов в соотвествии со схемой подключения интеркома:
Распиновка входных разъёмов на интеркоме в картинках. Сооствественно если нужно задействовать все 8 каналов, то нужно делать двойную схему:
Прошиваем Ардуино стандартной прошивкой Фирмата: http://avstream.ru/upload/arduino/firmata_test.exe.zip
Скачиваем Arduino Tally Lights.exe http://avstream.ru/upload/arduino/ArduinoTallyLights.exe
Ардуина у меня в корпусе. Шлейфом цифровые выходы идут на макетку с резисторами и оптотранзистором. Макетку прикручена к стенке кофра внутри. От нее идёт провод с разъемом уже на интерком.
По прошивке ардуины, есть просто море инфы в интернете. Все делается довольно просто в течении минуты. Самое сложное может быть как раз сборка опторазвязки.
На нашем сайте есть каталог компаний видеопродакшенов России и СНГ http://avstream.ru/companies/, и есть он там неспроста.
Вбейте в яндексе "Организация трансляций Пермь", и первая ссылка (не рекламная имени Comdi, а органическая выдача) будет ссылка на ребят из Link-TV, которые уже давно разместились в нашем каталоге и получают дополнительный трафик к себе на сайт, и возможно даже заказы.
В некоторых случаях, как, например, с Екатеринбургом и Уфой - сайт AVStream даже выше оригинальной компании @profistreamcom (ProfiStream) и @media02 (Медиа02) .
Так что если вы еще раздумываете - размещаться или нет, самое время отбросить сомнения - AVStream очень хорошо индексируется в поисковых системах по разным запросам, связанным с онлайн трансляциями, их организацией, оборудованием и т.д. Поэтому мы и есть сообщество стримеров России и СНГ.
По размещению вашей компании - велкам в почту info@avstream.ru с пометкой "Каталог продакшенов". Стоимость размещения для всех, кто не из Москвы и Питера - 1000 рублей через Яндекс.Деньги. Питер - 2500р. Москва, сорян - 5000р.
Ссылки для примера: https://yandex.ru/search/?text=%D0%B2%D0%B8%D0%B4%D0%B5%D0%BE%20%D1%82%D1%80%D0%B0%D0%BD%D1%81%D0%BB%D1%8F%D1%86%D0%B8%D1%8F%20%D0%BC%D0%B5%D1%80%D0%BE%D0%BF%D1%80%D0%B8%D1%8F%D1%82%D0%B8%D1%8F%20%D0%BF%D0%B5%D1%80%D0%BC%D1%8C&lr=213
https://yandex.ru/search/?text=%D0%BE%D1%80%D0%B3%D0%B0%D0%BD%D0%B8%D0%B7%D0%B0%D1%86%D0%B8%D1%8F%20%D0%BE%D0%BD%D0%BB%D0%B0%D0%B9%D0%BD%20%D1%82%D1%80%D0%B0%D0%BD%D1%81%D0%BB%D1%8F%D1%86%D0%B8%D0%B9%20%D0%B5%D0%BA%D0%B0%D1%82%D0%B5%D1%80%D0%B8%D0%BD%D0%B1%D1%83%D1%80%D0%B3&lr=213
https://yandex.ru/search/?text=%D0%BE%D1%80%D0%B3%D0%B0%D0%BD%D0%B8%D0%B7%D0%B0%D1%86%D0%B8%D1%8F%20%D0%BE%D0%BD%D0%BB%D0%B0%D0%B9%D0%BD%20%D1%82%D1%80%D0%B0%D0%BD%D1%81%D0%BB%D1%8F%D1%86%D0%B8%D0%B9%20%D1%83%D1%84%D0%B0&lr=213
https://yandex.ru/search/?lr=213&text=%D0%BE%D1%80%D0%B3%D0%B0%D0%BD%D0%B8%D0%B7%D0%B0%D1%86%D0%B8%D1%8F%20%D1%82%D1%80%D0%B0%D0%BD%D1%81%D0%BB%D1%8F%D1%86%D0%B8%D0%B9%20%D0%BF%D0%B5%D1%80%D0%BC%D1%8C
https://yandex.ru/search/?text=spark%20hdmi&lr=213
Совсем отчаяным всегда рад показать статистику метрики и дать полазить по ней вдоволь.
Вбейте в яндексе "Организация трансляций Пермь", и первая ссылка (не рекламная имени Comdi, а органическая выдача) будет ссылка на ребят из Link-TV, которые уже давно разместились в нашем каталоге и получают дополнительный трафик к себе на сайт, и возможно даже заказы.
В некоторых случаях, как, например, с Екатеринбургом и Уфой - сайт AVStream даже выше оригинальной компании @profistreamcom (ProfiStream) и @media02 (Медиа02) .
Так что если вы еще раздумываете - размещаться или нет, самое время отбросить сомнения - AVStream очень хорошо индексируется в поисковых системах по разным запросам, связанным с онлайн трансляциями, их организацией, оборудованием и т.д. Поэтому мы и есть сообщество стримеров России и СНГ.
По размещению вашей компании - велкам в почту info@avstream.ru с пометкой "Каталог продакшенов". Стоимость размещения для всех, кто не из Москвы и Питера - 1000 рублей через Яндекс.Деньги. Питер - 2500р. Москва, сорян - 5000р.
Ссылки для примера: https://yandex.ru/search/?text=%D0%B2%D0%B8%D0%B4%D0%B5%D0%BE%20%D1%82%D1%80%D0%B0%D0%BD%D1%81%D0%BB%D1%8F%D1%86%D0%B8%D1%8F%20%D0%BC%D0%B5%D1%80%D0%BE%D0%BF%D1%80%D0%B8%D1%8F%D1%82%D0%B8%D1%8F%20%D0%BF%D0%B5%D1%80%D0%BC%D1%8C&lr=213
https://yandex.ru/search/?text=%D0%BE%D1%80%D0%B3%D0%B0%D0%BD%D0%B8%D0%B7%D0%B0%D1%86%D0%B8%D1%8F%20%D0%BE%D0%BD%D0%BB%D0%B0%D0%B9%D0%BD%20%D1%82%D1%80%D0%B0%D0%BD%D1%81%D0%BB%D1%8F%D1%86%D0%B8%D0%B9%20%D0%B5%D0%BA%D0%B0%D1%82%D0%B5%D1%80%D0%B8%D0%BD%D0%B1%D1%83%D1%80%D0%B3&lr=213
https://yandex.ru/search/?text=%D0%BE%D1%80%D0%B3%D0%B0%D0%BD%D0%B8%D0%B7%D0%B0%D1%86%D0%B8%D1%8F%20%D0%BE%D0%BD%D0%BB%D0%B0%D0%B9%D0%BD%20%D1%82%D1%80%D0%B0%D0%BD%D1%81%D0%BB%D1%8F%D1%86%D0%B8%D0%B9%20%D1%83%D1%84%D0%B0&lr=213
https://yandex.ru/search/?lr=213&text=%D0%BE%D1%80%D0%B3%D0%B0%D0%BD%D0%B8%D0%B7%D0%B0%D1%86%D0%B8%D1%8F%20%D1%82%D1%80%D0%B0%D0%BD%D1%81%D0%BB%D1%8F%D1%86%D0%B8%D0%B9%20%D0%BF%D0%B5%D1%80%D0%BC%D1%8C
https://yandex.ru/search/?text=spark%20hdmi&lr=213
Совсем отчаяным всегда рад показать статистику метрики и дать полазить по ней вдоволь.
C новым годом, сообщество! Видос вам в ленту поздравительный 🙂
Админ уходит в новогодний запой, но будет периодически поглядывать за порядком.
https://www.youtube.com/watch?v=lAqv9z0laGo
Админ уходит в новогодний запой, но будет периодически поглядывать за порядком.
https://www.youtube.com/watch?v=lAqv9z0laGo
YouTube
Сообщество стримеров AVStream с новым годом!
С новым годом, друзья! ✅Каталог продакшенов: http://avstream.ru/companies/ ✅NTRStreamer и RTMPserver: http://garaninapps.com/pro ✅Чат в телеграм: https://t-d...
Длинные выходные - отличный повод научиться чему-то новому или обновить старые знания.
Между доеданием салата и залипанием в сериальчик, можно глянуть старый добрый режиссерско-операторский курс "Голливудской камеры", переведенный на русский язык и научиться ставить правильные планы, пользоваться минимальным количеством камер для достижения высокохудожественных кадров и познать еще много полезной инфы.
Ссылка на вконтактик с видосами:https://vk.com/avstream?w=wall-116632597_697
Между доеданием салата и залипанием в сериальчик, можно глянуть старый добрый режиссерско-операторский курс "Голливудской камеры", переведенный на русский язык и научиться ставить правильные планы, пользоваться минимальным количеством камер для достижения высокохудожественных кадров и познать еще много полезной инфы.
Ссылка на вконтактик с видосами:https://vk.com/avstream?w=wall-116632597_697
В сообществе открылась барахолка - частные и не частные объявления на сайте и вконтактике. Теперь помимо авито и юлы можно показать ваши объявления узкой заинтересованной аудитории.
http://avstream.ru/catalog/obyavleniya/
Частные объявления стримеров размещаются бесплатно. Объявления магазинов и их представителей - 500р за объявление.
Сайт AVStream.ru не несет ответственности за содержание объявлений и за их авторов. В каждом случае указаны контакты автора объявления. Помните, что предоплату вносить - не самый разумный метод.
AVStream.ru никак не отвечает за взаимоотношения между продавцом и покупателем.
В особых случаях при необходимости есть функции выступления в роли “гаранта”.
Если вы столкнулись со случаями мошенничества в сообществе - пишите, разберемся, применим посильные меры.
Так же я могу отказать в публикации объявления без объяснения причин.
Для размещения объявления - пишите на info@avstream.ru, или в телеграмме @Kvanterbreher
С вас пара фоток, описание, цена, способы доставки, и контакты.
http://avstream.ru/catalog/obyavleniya/
Частные объявления стримеров размещаются бесплатно. Объявления магазинов и их представителей - 500р за объявление.
Сайт AVStream.ru не несет ответственности за содержание объявлений и за их авторов. В каждом случае указаны контакты автора объявления. Помните, что предоплату вносить - не самый разумный метод.
AVStream.ru никак не отвечает за взаимоотношения между продавцом и покупателем.
В особых случаях при необходимости есть функции выступления в роли “гаранта”.
Если вы столкнулись со случаями мошенничества в сообществе - пишите, разберемся, применим посильные меры.
Так же я могу отказать в публикации объявления без объяснения причин.
Для размещения объявления - пишите на info@avstream.ru, или в телеграмме @Kvanterbreher
С вас пара фоток, описание, цена, способы доставки, и контакты.
Автотрекинг, виртуальная PTZ или бондинг-система? Решайте и участвуйте в разработке ПО для стримеров AVStream!
В нашем сообществе есть замечательный программист - Михаил Гаранин. Он известен стримерам как создатель WindBroadcaster и JustBroadcaster - небольших удобных программ для стриминга. Так же Михаил разработал два плагина для работы с источниками NDI - RTMP Mini Server и NTRStreamer. Эти плагины могут преобразовывать NDI в RTMP и обратно.
Участники уютного чятика AVStream в телеграмме периодически подкидывают идеи для разработки программ по теме видео-стриминга. Обычно с пометкой “вот это вот точно нужно всем”. Идей много, они интересные, и вызваны реальными потребностями стримеров. Но увы - на реализацию всех идей нет ресурсов, поэтому мы выделили наиболее часто встречающиеся и предлагаем поучаствовать вам в их реализации по принципу краудфандинга.
Описание проектов: http://avstream.ru/development
Голосование за проект: https://goo.gl/2gqtFL
В нашем сообществе есть замечательный программист - Михаил Гаранин. Он известен стримерам как создатель WindBroadcaster и JustBroadcaster - небольших удобных программ для стриминга. Так же Михаил разработал два плагина для работы с источниками NDI - RTMP Mini Server и NTRStreamer. Эти плагины могут преобразовывать NDI в RTMP и обратно.
Участники уютного чятика AVStream в телеграмме периодически подкидывают идеи для разработки программ по теме видео-стриминга. Обычно с пометкой “вот это вот точно нужно всем”. Идей много, они интересные, и вызваны реальными потребностями стримеров. Но увы - на реализацию всех идей нет ресурсов, поэтому мы выделили наиболее часто встречающиеся и предлагаем поучаствовать вам в их реализации по принципу краудфандинга.
Описание проектов: http://avstream.ru/development
Голосование за проект: https://goo.gl/2gqtFL
Завершено голосование за первый проект для стримеров сообщества.
На третьем месте - Виртуальная PTZ с NDI выходами!
Второе место - Автотрекинг для VISCA PTZ камер!
И... 🤪
Победителем становится ⏩⏩⏩⏩БОНДИНГ⏪⏪⏪⏪
Скоро мы объявим о начале сбора средств на разработку проекта в режиме краудфандинга (сумма 200 тысяч рублей), и представим различные ништяки, которые вы можете получить за пожертвования.
Если мы соберем необходимую сумму, то для участников краудфандинга в сообществе появится софтина под Windows, которая сможет объединять скорости разных модемов и проводных интернетов, плюсовать их вместе на выделенном сервере, и выдавать в интернет уже мощным потоком.
Почитать идеи и проекты можно тыц: https://avstream.ru/development/
Задать вопросы - в чятике телеграмма жмак: http://t-do.ru/avstreamchat
На третьем месте - Виртуальная PTZ с NDI выходами!
Второе место - Автотрекинг для VISCA PTZ камер!
И... 🤪
Победителем становится ⏩⏩⏩⏩БОНДИНГ⏪⏪⏪⏪
Скоро мы объявим о начале сбора средств на разработку проекта в режиме краудфандинга (сумма 200 тысяч рублей), и представим различные ништяки, которые вы можете получить за пожертвования.
Если мы соберем необходимую сумму, то для участников краудфандинга в сообществе появится софтина под Windows, которая сможет объединять скорости разных модемов и проводных интернетов, плюсовать их вместе на выделенном сервере, и выдавать в интернет уже мощным потоком.
Почитать идеи и проекты можно тыц: https://avstream.ru/development/
Задать вопросы - в чятике телеграмма жмак: http://t-do.ru/avstreamchat
Сегодня ночью, пока мы спали, vMix снова выходили в лайв на ютубе и рассказывали про 22 версию. Собрал для вас новости из видоса.
Итак, фейсбук, это тот, в который в 2019 году можно стримить только 720р. C фейсбука комменты можно будет затирать только с публичных страниц, с личных больше нет. Это снова связано с ужесточающейся политикой. Многочисленные инфобизнесмены из бизнес-молодости не смогут подтягивать комментики со своих личных страниц, придется заводить публичные, а у них охват ниже, но я что-то отвлекся 🙂
Новые RTX видеокарты 2080, на которых летает GTA, не используются своими лучевыми технологиями в vMix, и при этом обладают незначительным приростом производительности - 10-20%, но стоят в 2 раза дороже 1080ti. И сейчас, после бума майнеров, на рынке появляется куча б-ушных 1080, при этом вполне работающих. Так что Мартин говорит - RTX не имеет смысла для стрима, только GTX, только хардкор.
В веб-контроллере можно будет менять цвета кнопок и даже ставить превьюшки (статичные) на входы для идентификации канала, но это пока пилится. Пока все новости.
Помните, что если вы будете ставить бету22, она перезапишет вашу 21.0.0.60 версию. В добавок, если вы покупали лицензию до 31.12.2017, вам будет предложено заплатить 60$ за обновление. Да, наконец-то vMix стали брать деньги за обновления по истечению года с момента покупки лицензии, о чем всегда говорили, но раньше никогда не брали денег.
Но новый дизайнер титров и виртуальная PTZ с прочими ништяками того стоят.
Бета vMix22: http://cdn.vmix.com/download/vmix22preview.exe
Итак, фейсбук, это тот, в который в 2019 году можно стримить только 720р. C фейсбука комменты можно будет затирать только с публичных страниц, с личных больше нет. Это снова связано с ужесточающейся политикой. Многочисленные инфобизнесмены из бизнес-молодости не смогут подтягивать комментики со своих личных страниц, придется заводить публичные, а у них охват ниже, но я что-то отвлекся 🙂
Новые RTX видеокарты 2080, на которых летает GTA, не используются своими лучевыми технологиями в vMix, и при этом обладают незначительным приростом производительности - 10-20%, но стоят в 2 раза дороже 1080ti. И сейчас, после бума майнеров, на рынке появляется куча б-ушных 1080, при этом вполне работающих. Так что Мартин говорит - RTX не имеет смысла для стрима, только GTX, только хардкор.
В веб-контроллере можно будет менять цвета кнопок и даже ставить превьюшки (статичные) на входы для идентификации канала, но это пока пилится. Пока все новости.
Помните, что если вы будете ставить бету22, она перезапишет вашу 21.0.0.60 версию. В добавок, если вы покупали лицензию до 31.12.2017, вам будет предложено заплатить 60$ за обновление. Да, наконец-то vMix стали брать деньги за обновления по истечению года с момента покупки лицензии, о чем всегда говорили, но раньше никогда не брали денег.
Но новый дизайнер титров и виртуальная PTZ с прочими ништяками того стоят.
Бета vMix22: http://cdn.vmix.com/download/vmix22preview.exe
Запилил злободневный видос про стримы в Instagram из под vMix.
app.loola.tv
инструкция в видосе и описании видоса.
К сожалению, видос не объясняет некоторые глюки, с которыми вы могли столкнуться в процессе работы с лулой - как отваливания, зависания и т.д., потому что я не смог их воспроизвести у себя - у меня все отлично работает и не отваливается.
https://www.youtube.com/watch?v=pOgxw5w_h-k
app.loola.tv
инструкция в видосе и описании видоса.
К сожалению, видос не объясняет некоторые глюки, с которыми вы могли столкнуться в процессе работы с лулой - как отваливания, зависания и т.д., потому что я не смог их воспроизвести у себя - у меня все отлично работает и не отваливается.
https://www.youtube.com/watch?v=pOgxw5w_h-k
YouTube
Как сделать трансляцию в Instagram с компьютера из vMix
В этом видео я покажу самый легкий способ провести прямую трансляцию в инстаграм с компьютера на примере программы vMix - то есть мы будем стримить в инсту прямо из vMix :)
САЙТ ДЛЯ СТРИМА в Instagram: http://app.loola.tv
●●●UPD [апрель 2020] Говорят,…
САЙТ ДЛЯ СТРИМА в Instagram: http://app.loola.tv
●●●UPD [апрель 2020] Говорят,…
Начинаем краудфандинговый сбор средств на разработку Бондинг-Системы для участников сообщества.
Это будет софтовый бондинг - будет бондить все интернет-соединения в вашем компьютере или ноутбуке, принимать NDI, SDI или HDMI сигнал, сжимать его, разбивать на пакеты, и отправлять во всем имеющимся сетевым интерфейсам на сервер в вашей студии (дома). В студии (дома) стоит другой софт, который принимает все это дело, собирает и выдает на выходе NDI.
⚠️ Все работает на Win10.
На готовый продукт планируется установить следующие условия распространения:
✔️ClientApp - бесплатно.
✔️ServerApp - 7000 рублей в месяц за одну лицензию или 60000 рублей на 12 месяцев (5000 в месяц при оплате за год).
Все участники краудфандинговой кампании будут указаны на странице проекта в качестве спонсоров проекта и будут иметь доступ к бета-тестированию.
Существует три типа взноса:
✔️10000 руб: бесплатное использование до конца 2019, и 30% скидка на лицензию ServerApp в дальнейшем.
✔️50000 руб: указание в about-диалоге программы, пожизненная лицензия на ServerApp. Расширенный саппорт (телефон, скайп, team-viewer).
✔️100000. руб: указание в about-диалоге программы, 2 пожизненных лицензии на ServerApp. Расширенный саппорт (телефон, скайп, team-viewer).
Пожалуйста, ознакомьтесь с условиями и подробностями сбора на https://avstream.ru/development там же есть форма для оплаты.
Если у вас есть вопросы и комментарии - смело пишите их.
Это будет софтовый бондинг - будет бондить все интернет-соединения в вашем компьютере или ноутбуке, принимать NDI, SDI или HDMI сигнал, сжимать его, разбивать на пакеты, и отправлять во всем имеющимся сетевым интерфейсам на сервер в вашей студии (дома). В студии (дома) стоит другой софт, который принимает все это дело, собирает и выдает на выходе NDI.
⚠️ Все работает на Win10.
На готовый продукт планируется установить следующие условия распространения:
✔️ClientApp - бесплатно.
✔️ServerApp - 7000 рублей в месяц за одну лицензию или 60000 рублей на 12 месяцев (5000 в месяц при оплате за год).
Все участники краудфандинговой кампании будут указаны на странице проекта в качестве спонсоров проекта и будут иметь доступ к бета-тестированию.
Существует три типа взноса:
✔️10000 руб: бесплатное использование до конца 2019, и 30% скидка на лицензию ServerApp в дальнейшем.
✔️50000 руб: указание в about-диалоге программы, пожизненная лицензия на ServerApp. Расширенный саппорт (телефон, скайп, team-viewer).
✔️100000. руб: указание в about-диалоге программы, 2 пожизненных лицензии на ServerApp. Расширенный саппорт (телефон, скайп, team-viewer).
Пожалуйста, ознакомьтесь с условиями и подробностями сбора на https://avstream.ru/development там же есть форма для оплаты.
Если у вас есть вопросы и комментарии - смело пишите их.
Просто напомиалочка, что в сообществе идет сбор 200к на разработку софтового бондинга.
Фишка краудфандинга в том, что если средства не собираются, проект разрабатываться не будет, и вы будете дальше в панике искать в аренду лайвю, тивию, и прочие ю, вместо того чтобы накатить свой ламповый сервак и бондить в свое удовольствие.
На https://avstream.ru/development подробно расписано что за что и как. Через 12 дней программа останавливается, сбор средств прекращается.
Фишка краудфандинга в том, что если средства не собираются, проект разрабатываться не будет, и вы будете дальше в панике искать в аренду лайвю, тивию, и прочие ю, вместо того чтобы накатить свой ламповый сервак и бондить в свое удовольствие.
На https://avstream.ru/development подробно расписано что за что и как. Через 12 дней программа останавливается, сбор средств прекращается.
Чятик, снова возвращаемся к IP продакшену. Многие спрашивают в личке что да как - решил запилить отдельный видос про IP камеры, модели, плюсы и минусы.
https://www.youtube.com/watch?v=Dxj5sk8VwKQ
https://www.youtube.com/watch?v=Dxj5sk8VwKQ
Конкурент NDI подрастает.
Есть такой протокол аудио: Dante от Audinate. Всегда он был сетевым протоколом звука, по нему общались звуковые консоли и т д. Сегодня он стал понимать еще и видео. Как обычно: 4К@60.
https://www.audinate.com/products/manufacturer-products/dante-av-video
Есть такой протокол аудио: Dante от Audinate. Всегда он был сетевым протоколом звука, по нему общались звуковые консоли и т д. Сегодня он стал понимать еще и видео. Как обычно: 4К@60.
https://www.audinate.com/products/manufacturer-products/dante-av-video
Вот она - сила NDI. Михаил Гаранин создал RTMPMini Server, который преобразует входящие RTMP потоки в NDI.
В понедельник тестировали: я в vMix запустил 4К стрим 60 кадров с 30мбит/сек потоком на временный адрес зелебобы.инфо, запущенный на виртуальном сервере в вирджинии, США и подключился к самому серваку по RDP. Потом я перетащил окошко vMix на этот монитор и сделал скрин - 1 секунда задержки между Москвой и вирджинией в 4К@60 кадров. Это ли не кайф?
RTMP с 4К@60 кадрами доходит из Москвы по интернету до сервака, расположенного в Вирджинии США за 1 с копейками секунду, и запаковывается там в NDI для дальнейшей работы с ним либо в vMix, либо в чем угодно.
Еще раз: окно vMix - в Москве, RTMPMiniServer и NDI Studio Monitor - в Виджинии, США.
Но есть и плохая новость. Похоже, что софтового бондинга от Михаила для сообщества со скидками для задонативших, мы не увидим. На сегодня не пришло ни одного доната, не смотря на предварительный интерес сообщества. Видимо, мы еще не готовы вкладывать деньги в создание ПО для стримеров. ШТОШ, жаль. До 5 февраля страничка avstream.ru/development/ еще активная, шансы еще есть.
В понедельник тестировали: я в vMix запустил 4К стрим 60 кадров с 30мбит/сек потоком на временный адрес зелебобы.инфо, запущенный на виртуальном сервере в вирджинии, США и подключился к самому серваку по RDP. Потом я перетащил окошко vMix на этот монитор и сделал скрин - 1 секунда задержки между Москвой и вирджинией в 4К@60 кадров. Это ли не кайф?
RTMP с 4К@60 кадрами доходит из Москвы по интернету до сервака, расположенного в Вирджинии США за 1 с копейками секунду, и запаковывается там в NDI для дальнейшей работы с ним либо в vMix, либо в чем угодно.
Еще раз: окно vMix - в Москве, RTMPMiniServer и NDI Studio Monitor - в Виджинии, США.
Но есть и плохая новость. Похоже, что софтового бондинга от Михаила для сообщества со скидками для задонативших, мы не увидим. На сегодня не пришло ни одного доната, не смотря на предварительный интерес сообщества. Видимо, мы еще не готовы вкладывать деньги в создание ПО для стримеров. ШТОШ, жаль. До 5 февраля страничка avstream.ru/development/ еще активная, шансы еще есть.
В мире начинают появляться интересные железяки. Вот, например, минижелезяка, которая принимает по сети NDI и преобразует его в HDMI.
То есть надо вам например где-нибудь на телевизоре или проекторе организовать просмотр любого источника в вашей сети из vMix или еще откуда - поставили такую железяку и готово. Цены пока нет, но вероятно она будет невысокой. В любом случае должно быть дешевле, чем тянуть сплиттеры, матрицы и HDMI кабели.
https://www.deltacast.com/products/delta-neo-n2h
То есть надо вам например где-нибудь на телевизоре или проекторе организовать просмотр любого источника в вашей сети из vMix или еще откуда - поставили такую железяку и готово. Цены пока нет, но вероятно она будет невысокой. В любом случае должно быть дешевле, чем тянуть сплиттеры, матрицы и HDMI кабели.
https://www.deltacast.com/products/delta-neo-n2h
Первый обзор новой камеры Panasonic AG CX350 c возможностью подключения через NDI.
Это больше получился обзор сетевых возможностей камеры и в целом революционного шага монстро-бренда Panasonic в сторону поддержки NDI для продакшн-камер.
NDI-HX - скомпрессированный видеосигнал. Но уже сделан первый шаг в сторону интеграции стандарта NDI в профессиональное оборудование. Если раньше NDI можно было встретить только в конференц PTZ камерах Lumens, PTZOptics, Panasonic, то CX350 - первая профессиональная камера с NDI на борту.
Большое спасибо компании "Панасоник Россия" за возможность записать обзор!
Ссылки:
Kiloview: https://www.alibaba.com/product-detail/kiloview-h264-hdmi-to-rtmp-rtsp_60656591152.html
NDI Tools: https://www.newtek.com/ndi/tools/
Покупка ключа активации NDI: https://www.newtek.com/ndihx/products/upgrade/
Чистые футажи с камеры: https://yadi.sk/d/YRT7nBtcnY1dpg
Это больше получился обзор сетевых возможностей камеры и в целом революционного шага монстро-бренда Panasonic в сторону поддержки NDI для продакшн-камер.
NDI-HX - скомпрессированный видеосигнал. Но уже сделан первый шаг в сторону интеграции стандарта NDI в профессиональное оборудование. Если раньше NDI можно было встретить только в конференц PTZ камерах Lumens, PTZOptics, Panasonic, то CX350 - первая профессиональная камера с NDI на борту.
Большое спасибо компании "Панасоник Россия" за возможность записать обзор!
Ссылки:
Kiloview: https://www.alibaba.com/product-detail/kiloview-h264-hdmi-to-rtmp-rtsp_60656591152.html
NDI Tools: https://www.newtek.com/ndi/tools/
Покупка ключа активации NDI: https://www.newtek.com/ndihx/products/upgrade/
Чистые футажи с камеры: https://yadi.sk/d/YRT7nBtcnY1dpg
YouTube
Panasonic AG CX350 обзор + NDI | HX
Первый обзор новой камеры Panasonic AG CX350 c возможностью подключения через NDI.
Это больше получился обзор сетевых возможностей камеры и в целом революционного шага монстро-бренда Panasonic в сторону поддержки NDI для продакшн-камер.
NDI-HX - скомпрессированный…
Это больше получился обзор сетевых возможностей камеры и в целом революционного шага монстро-бренда Panasonic в сторону поддержки NDI для продакшн-камер.
NDI-HX - скомпрессированный…
Компания ITM Partner становится партнером сообщества стримеров AVStream.
ITM Partner - это ребята, которые занимаются установкой и настройкой медиасерверов - Wowza Streaming Engine, Nimble Streamer и т.д. Знают все про ffmpeg, разрабатывают сложное ПО, веб-сервисы и оказывают консультационные услуги.
Недавно они запилили на ютубе полный курс по Wowza - настройке, программированию и работе с медиасервером. Ссылка https://www.youtube.com/watch?v=V-kdh9_yjpA&list=..
Короче, если перед вами резко встала задача накатить свой сервак с блекджеком, паролями, уникальными ссылками, и чем-либо еще, что требует от вас заказчик - смело обращайтесь к ребятам, говорите что вы из сообщества AVStream и получайте теплое ламповое отношение к себе и возможно всяческие ништяки.
http://itmpartner.com/
info@itmpartner.com
+7 (909) 570-9933
ITM Partner - это ребята, которые занимаются установкой и настройкой медиасерверов - Wowza Streaming Engine, Nimble Streamer и т.д. Знают все про ffmpeg, разрабатывают сложное ПО, веб-сервисы и оказывают консультационные услуги.
Недавно они запилили на ютубе полный курс по Wowza - настройке, программированию и работе с медиасервером. Ссылка https://www.youtube.com/watch?v=V-kdh9_yjpA&list=..
Короче, если перед вами резко встала задача накатить свой сервак с блекджеком, паролями, уникальными ссылками, и чем-либо еще, что требует от вас заказчик - смело обращайтесь к ребятам, говорите что вы из сообщества AVStream и получайте теплое ламповое отношение к себе и возможно всяческие ништяки.
http://itmpartner.com/
info@itmpartner.com
+7 (909) 570-9933
Список полезных стримерских материалов, никогда не потеряющих свою актуальность. Лайк, репост, сейв, букмарк.
• Онлайн школа AVStream: прямые трансляции с разбором vMix 20 версии. Посмотрел пару тройку часов - научился основам работы в программе. https://www.youtube.com/watch?v=CWTkzKacIkk&list=PLubQ8kjG1mSaZC6Q_gD3ZVQaH5dA1PPtH
• Инструкция к vMix в .pdf для распечатывания и пролистывания за рюмкой чая: https://goo.gl/rzzLZx
• Организация локальной сети для vMix и IP оборудования: https://avstream.ru/info/news/organizatsiya-lokalnoy-seti-dlya-vmix/
• Настройки IP камер для работы с vMix: https://www.youtube.com/watch?v=wJBvstEVoyg
• Синхронизация IP камер в vMix: https://www.youtube.com/watch?v=C0Iw-wjDJgU
• XBOX как управлялка камерами и видеопульт: https://www.youtube.com/watch?v=YdNLVWlloZQ
• Сервис рестрима контента в соцсети, RTMP, с аналитикой и т.д.: https://goo.gl/1dvsXf
• Стрим в Instagram из vMix: https://www.youtube.com/watch?v=pOgxw5w_h-k
• Управлялка vMix - vScheduler для создания своего круглосуточного канала на YouTube (возможно проект заморожен, фиг поймешь этих индусов) https://www.youtube.com/watch?v=tG6g2oSZim0
• Скачать vMix 20, 21, бета22, захватывали экранов, старые и новые версии NDI Tools, виртуальные студии Virtual Sets, рамки для Multiview, шорткаты для AKAI и XBOX, активаторы лампочек на AKAI APC MINI, финальные титры XAML и приложение для Tally Lights для пультов ATEM: https://avstream.ru/downloads/
• Курс “Голливудская камера” - расположение и движение камер, планы, кадры: https://vk.com/avstream?w=wall-116632597_697
• Чятик в телеграм: https://t-do.ru/avstreamchat/
• YouTube канал: https://www.youtube.com/channel/UCad95Mk7X74hWqIwyp-LRFA/
• ВК: https://vk.com/avstream
• Грустный ФБ: https://www.facebook.com/avscompany
• Инфа про vMix на одной странице: как купить лицензию, научиться работе: https://avstream.ru/vmix/
• Компании России, оказывающие услуги по трансляциям: https://avstream.ru/companies/
• Частные и не частные объявления стримеров: https://avstream.ru/catalog/obyavleniya/
• Филиалы и партнеры сообщества: https://avstream.ru/company/partners/
• Реклама в сообществе и статистика всего: https://avstream.ru/reklama/
info@avstream.ru
+74959757567
• Онлайн школа AVStream: прямые трансляции с разбором vMix 20 версии. Посмотрел пару тройку часов - научился основам работы в программе. https://www.youtube.com/watch?v=CWTkzKacIkk&list=PLubQ8kjG1mSaZC6Q_gD3ZVQaH5dA1PPtH
• Инструкция к vMix в .pdf для распечатывания и пролистывания за рюмкой чая: https://goo.gl/rzzLZx
• Организация локальной сети для vMix и IP оборудования: https://avstream.ru/info/news/organizatsiya-lokalnoy-seti-dlya-vmix/
• Настройки IP камер для работы с vMix: https://www.youtube.com/watch?v=wJBvstEVoyg
• Синхронизация IP камер в vMix: https://www.youtube.com/watch?v=C0Iw-wjDJgU
• XBOX как управлялка камерами и видеопульт: https://www.youtube.com/watch?v=YdNLVWlloZQ
• Сервис рестрима контента в соцсети, RTMP, с аналитикой и т.д.: https://goo.gl/1dvsXf
• Стрим в Instagram из vMix: https://www.youtube.com/watch?v=pOgxw5w_h-k
• Управлялка vMix - vScheduler для создания своего круглосуточного канала на YouTube (возможно проект заморожен, фиг поймешь этих индусов) https://www.youtube.com/watch?v=tG6g2oSZim0
• Скачать vMix 20, 21, бета22, захватывали экранов, старые и новые версии NDI Tools, виртуальные студии Virtual Sets, рамки для Multiview, шорткаты для AKAI и XBOX, активаторы лампочек на AKAI APC MINI, финальные титры XAML и приложение для Tally Lights для пультов ATEM: https://avstream.ru/downloads/
• Курс “Голливудская камера” - расположение и движение камер, планы, кадры: https://vk.com/avstream?w=wall-116632597_697
• Чятик в телеграм: https://t-do.ru/avstreamchat/
• YouTube канал: https://www.youtube.com/channel/UCad95Mk7X74hWqIwyp-LRFA/
• ВК: https://vk.com/avstream
• Грустный ФБ: https://www.facebook.com/avscompany
• Инфа про vMix на одной странице: как купить лицензию, научиться работе: https://avstream.ru/vmix/
• Компании России, оказывающие услуги по трансляциям: https://avstream.ru/companies/
• Частные и не частные объявления стримеров: https://avstream.ru/catalog/obyavleniya/
• Филиалы и партнеры сообщества: https://avstream.ru/company/partners/
• Реклама в сообществе и статистика всего: https://avstream.ru/reklama/
info@avstream.ru
+74959757567
❤1
Выкатили официальный релиз vMix 22. Бета тестирование закончено.
5 причин обновиться:
- Новый дизайнер титров. Можно нарисовать практически любые титры и анимации. Не афтерэффектс конечно, но и не привычная жуткая титровалка в XAML.
- Мультикордер с возможностью поканальной записи Outputs 1-4, vMiz Call и т.д.
- Виртуальная PTZ - зум и панорамирование любых источников - видео, камер, картинок, в том числе с пресетами.
- Фриз любых источников (и камер, да) в прямом эфире.
- Новый кодек имени vMix (сомнительно, но есть).
Если ваша лицензия куплена после 1 января 2018 года, обновление на 22 версию для вас - бесплатное. Если до 1 января 2018 года, то 60 долларов.
Если вы делаете апгрейд лицензии (например с Basic HD до HD), то дополнительные 60 долларов платить не нужно.
5 причин обновиться:
- Новый дизайнер титров. Можно нарисовать практически любые титры и анимации. Не афтерэффектс конечно, но и не привычная жуткая титровалка в XAML.
- Мультикордер с возможностью поканальной записи Outputs 1-4, vMiz Call и т.д.
- Виртуальная PTZ - зум и панорамирование любых источников - видео, камер, картинок, в том числе с пресетами.
- Фриз любых источников (и камер, да) в прямом эфире.
- Новый кодек имени vMix (сомнительно, но есть).
Если ваша лицензия куплена после 1 января 2018 года, обновление на 22 версию для вас - бесплатное. Если до 1 января 2018 года, то 60 долларов.
Если вы делаете апгрейд лицензии (например с Basic HD до HD), то дополнительные 60 долларов платить не нужно.
С 18 февраля по 19 августа 2019 года в сообществе стримеров AVStream объявляются скидки 10% на все типы лицензий vMix.
Скидками могут воспользоваться:
📚- Образовательные учреждения с лицензией на ведение образовательной деятельности.
🙏- Зарегистрированные религиозные организации.
✅vMix Basic HD - [66$] 60$
✅vMix HD - [385$] 347$
✅vMix 4K - [770$] 693$
✅vMix PRO [1320$] 1188$
✅Скидка распространяется только на новые лицензии - не на апгрейды. В стоимость лицензий включена техническая поддержка по email на русском языке.
Лицензии продаются в рублях РФ по курсу ЦБ РФ на день покупки или выставления счета как за наличный, так и за безналичный расчет (ИП УСН).
Заявки принимаются только с корпоративных почтовых адресов на info@avstream.ru
Скидками могут воспользоваться:
📚- Образовательные учреждения с лицензией на ведение образовательной деятельности.
🙏- Зарегистрированные религиозные организации.
✅vMix Basic HD - [66$] 60$
✅vMix HD - [385$] 347$
✅vMix 4K - [770$] 693$
✅vMix PRO [1320$] 1188$
✅Скидка распространяется только на новые лицензии - не на апгрейды. В стоимость лицензий включена техническая поддержка по email на русском языке.
Лицензии продаются в рублях РФ по курсу ЦБ РФ на день покупки или выставления счета как за наличный, так и за безналичный расчет (ИП УСН).
Заявки принимаются только с корпоративных почтовых адресов на info@avstream.ru