🔘 آشنایی با مقاومت 🔘
✍ مقاومت یک عنصر الکتریکی دوپایه است که مطابق قانون اهم هنگامی که جریان الکتریکی از آن عبور کند بین پایههایش اختلاف ولتاژ ایجاد میشود. شدت جریان عبوری از یک مقاومت رابطه مستقیمی با ولتاژ دو سر مقاومت دارد. این رابطه توسط قانون اهم نمایش داده میشود :
🔹 I =V/R
✍ در این معادله
🔹R :
مقاومت شی در واحد اهم.
🔹V :
اختلاف پتانسیل دو سر شی در واحدولت.
🔹I :
جریان الکتریکی عبوری از شی در واحدآمپراست.
✍ نسبت ولتاژی عبوری از دو سر مقاومت به شدت جریان مدار، میزان مقاومت نامیده میشود و این میزان در مقاومتهای معمولی که با درجه هایشان کار میکنند میتواند ثابت ( مستقل از ولتاژ ) در نظر گرفته شود.
#آشنایی_با_قطعات_الکترونیک
🔻🔻🔻
🆔 @electrolearn
✍ مقاومت یک عنصر الکتریکی دوپایه است که مطابق قانون اهم هنگامی که جریان الکتریکی از آن عبور کند بین پایههایش اختلاف ولتاژ ایجاد میشود. شدت جریان عبوری از یک مقاومت رابطه مستقیمی با ولتاژ دو سر مقاومت دارد. این رابطه توسط قانون اهم نمایش داده میشود :
🔹 I =V/R
✍ در این معادله
🔹R :
مقاومت شی در واحد اهم.
🔹V :
اختلاف پتانسیل دو سر شی در واحدولت.
🔹I :
جریان الکتریکی عبوری از شی در واحدآمپراست.
✍ نسبت ولتاژی عبوری از دو سر مقاومت به شدت جریان مدار، میزان مقاومت نامیده میشود و این میزان در مقاومتهای معمولی که با درجه هایشان کار میکنند میتواند ثابت ( مستقل از ولتاژ ) در نظر گرفته شود.
#آشنایی_با_قطعات_الکترونیک
🔻🔻🔻
🆔 @electrolearn
🔘 منبع تغذیه سوئیچینگ 🔘
✍ یک منبع تغذیه سوئیچینگ ( به انگلیسی: Switched-mode power supply (به اختصارSMPS) ) یا به بیانی ساده، یک Switcher، یک منبع تغذیهٔ الکترونیکی است که شامل یک تنظیمکنندهٔ جریان برای داشتن کارآیی خیلی بالا در هنگام تغییر توان الکتریکی است. مانند سایر منابع تغذیه یک SMPS، توان را از یک منبع به یک مقصد (مصرفکننده) همزمان با تغییر مشخصههای ولتاژ و جریان تبدیل میکند.
✍ یک SMPS معمولاً برای تأمین کارای، ولتاژی منظم به کار گرفته میشود. برخلاف منابع تغذیه خطی, در این منابع ترانزیستوری که نقش کلید را به عهده دارد با فرکانسی حدود 50 کیلو هرتز یا بیشتر بین وضعیت قطع و اشباع در نوسان است که این خود سبب کاهش تلفات ترانزیستور می گردد .نسبت ولتاژ خروجی به ورودی را می توان با تغییر نسبت زمان روشن بودن به زمان خاموش بودن ترانزیستور تعیین کرد . در نقطه مقابل, در یک منبع تغذیه خطی برای دستیابی به ولتاژ دلخواه باید قسمتی از ولتاز ورودی روی ترانزیستور افت کرده و تلف شود .بازده بالا مزیت اصلی یک منبع تغذیه سوئیچینگ است . هنگامی که بازده بالاتر, ابعاد کوچک تر و وزن کم تر مد نظر باشد منابع تغذیه سوئیچینگ جایگزین منابع تغذیه خطی می شوند . منابع تغذیه سوئیچینگ پیچیده تر هستند و اگر جریان ورودی به آنها به خوبی فیلتر نشود می تواند نویز ایجاد کند.
#منبع_تغذیه
🔻🔻🔻
🆔 @electrolearn
✍ یک منبع تغذیه سوئیچینگ ( به انگلیسی: Switched-mode power supply (به اختصارSMPS) ) یا به بیانی ساده، یک Switcher، یک منبع تغذیهٔ الکترونیکی است که شامل یک تنظیمکنندهٔ جریان برای داشتن کارآیی خیلی بالا در هنگام تغییر توان الکتریکی است. مانند سایر منابع تغذیه یک SMPS، توان را از یک منبع به یک مقصد (مصرفکننده) همزمان با تغییر مشخصههای ولتاژ و جریان تبدیل میکند.
✍ یک SMPS معمولاً برای تأمین کارای، ولتاژی منظم به کار گرفته میشود. برخلاف منابع تغذیه خطی, در این منابع ترانزیستوری که نقش کلید را به عهده دارد با فرکانسی حدود 50 کیلو هرتز یا بیشتر بین وضعیت قطع و اشباع در نوسان است که این خود سبب کاهش تلفات ترانزیستور می گردد .نسبت ولتاژ خروجی به ورودی را می توان با تغییر نسبت زمان روشن بودن به زمان خاموش بودن ترانزیستور تعیین کرد . در نقطه مقابل, در یک منبع تغذیه خطی برای دستیابی به ولتاژ دلخواه باید قسمتی از ولتاز ورودی روی ترانزیستور افت کرده و تلف شود .بازده بالا مزیت اصلی یک منبع تغذیه سوئیچینگ است . هنگامی که بازده بالاتر, ابعاد کوچک تر و وزن کم تر مد نظر باشد منابع تغذیه سوئیچینگ جایگزین منابع تغذیه خطی می شوند . منابع تغذیه سوئیچینگ پیچیده تر هستند و اگر جریان ورودی به آنها به خوبی فیلتر نشود می تواند نویز ایجاد کند.
#منبع_تغذیه
🔻🔻🔻
🆔 @electrolearn
🔘 طریقه تست ترانزیستور 🔘
✍ تست ترانزیستور بسیار ساده میباشد به این صورت که ابتدا مولتی متر را در وضعیت دیود چک قرار میدهیم. در ترانزیستور پایه بیس به امیتر راه میدهد ( مولتی متر عددی بین ۴۰۰ تا ۸۰۰ نشان میدهد) و همین طور پایه بیس به کلکتر راه میدهد ( مولتی متر عددی بین ۴۰۰ تا ۸۰۰ نشان میدهد) و پایه کلکتر و امیتر به یکدیگر راه نمیدهد ( مولتی متر عددی نشان نمی دهد) اگر در یکی از این حالت خطایی صورت نگیرد ترانزیستور سالم است.
#تست_قطعات_الکترونیک
🔻🔻🔻
🆔 @electrolearn
✍ تست ترانزیستور بسیار ساده میباشد به این صورت که ابتدا مولتی متر را در وضعیت دیود چک قرار میدهیم. در ترانزیستور پایه بیس به امیتر راه میدهد ( مولتی متر عددی بین ۴۰۰ تا ۸۰۰ نشان میدهد) و همین طور پایه بیس به کلکتر راه میدهد ( مولتی متر عددی بین ۴۰۰ تا ۸۰۰ نشان میدهد) و پایه کلکتر و امیتر به یکدیگر راه نمیدهد ( مولتی متر عددی نشان نمی دهد) اگر در یکی از این حالت خطایی صورت نگیرد ترانزیستور سالم است.
#تست_قطعات_الکترونیک
🔻🔻🔻
🆔 @electrolearn
🔘طریقه تست خازن الکترولیت🔘
✍ تست این قطعه توسط خازن سنج صورت میگیرد به این صورت که ظرفیت که بر روی بدنه خازن نوشته شده با ظرفیت دیده شده در خازن سنج مطابقت داده میشود.
✍ تست این قطعه توسط مولتی متر هم صورت میگیرد به این صورت که مولتی متر را در وضعیت دیود چک قرار میدهیم و دو سر پراپ های آن را به دو سر خازن وصل میکنیم عددی که مولتی متر نشان میدهد به طور صعودی زیاد میشود و اگر پراپ های مولتی متر را عوض کنید عددی که مولتی متر نشان میدهد به طور نزولی کاهش مییابد در این صورت خازن سالم است.
⚠️ نکته: خازن های با ظرفیت بالا بیشتر دچار مشکل میشوند.
#تست_قطعات_الکترونیک
#تست_خازن_با_مولتی_متر
🔻🔻🔻
🆔 @electrolearn
✍ تست این قطعه توسط خازن سنج صورت میگیرد به این صورت که ظرفیت که بر روی بدنه خازن نوشته شده با ظرفیت دیده شده در خازن سنج مطابقت داده میشود.
✍ تست این قطعه توسط مولتی متر هم صورت میگیرد به این صورت که مولتی متر را در وضعیت دیود چک قرار میدهیم و دو سر پراپ های آن را به دو سر خازن وصل میکنیم عددی که مولتی متر نشان میدهد به طور صعودی زیاد میشود و اگر پراپ های مولتی متر را عوض کنید عددی که مولتی متر نشان میدهد به طور نزولی کاهش مییابد در این صورت خازن سالم است.
⚠️ نکته: خازن های با ظرفیت بالا بیشتر دچار مشکل میشوند.
#تست_قطعات_الکترونیک
#تست_خازن_با_مولتی_متر
🔻🔻🔻
🆔 @electrolearn
🔘 آشنایی با ترانزیستور 🔘
✍ ترانزیستور یکی از مهمترین قطعاتالکترونیکی و یکی از ادوات حالت جامداست که از مواد نیمه رسانایی مانندسیلیسیم و ژرمانیم ساخته میشود. یک ترانزیستور در ساختار خود دارای پیوندهاینوع N ونوع P میباشد.
✍ ترانزیستورهای جدید به دو دسته کلی تقسیم میشوند: ترانزیستورهای اتصال دوقطبی (BJT) و ترانزیستورهای اثر میدانی(FET). اعمال جریان در BJTها و ولتاژ در FETها بین ورودی و ترمینال مشترک، میزان رسانایی بین خروجی و ترمینال مشترک را افزایش میدهد، از اینرو سبب کنترل جریان بین آنها میشود. مشخصات ترانزیستورها به نوع آن بستگی دارد.
✍ در مدارهای آنالوگ، ترانزیستورها در تقویت کنندهها استفاده میشوند، (تقویت کنندههای جریان مستقیم، تقویت کنندههای صدا، تقویت کنندههای امواج رادیویی) ومنابع تغذیه تنظیم شده خطی. همچنین از ترانزیستورها در مدارات دیجیتال بعنوان یک سوئیچ الکترونیکی استفاده میشود، اما به ندرت به صورت یک قطعه جدا، بلکه به صورت بهم پیوسته در مدارات مجتمع یکپارچه بکار میروند. مداراهای دیجیتال شامل گیتهای منطقی، حافظه با دسترسی تصادفی (RAM)، ریزپردازنده ها وپردازشگرهای سیگنال دیجیتال (DSPs) هستند.
✍ ترانزیستور میتواند به عنوان کلید نیز کار کند. ترانزیستور سه پایه دارد : بیس ، کلکتور و امیتر.
#آشنایی_با_قطعات_الکترونیک
🔻🔻🔻
🆔 @electrolearn
✍ ترانزیستور یکی از مهمترین قطعاتالکترونیکی و یکی از ادوات حالت جامداست که از مواد نیمه رسانایی مانندسیلیسیم و ژرمانیم ساخته میشود. یک ترانزیستور در ساختار خود دارای پیوندهاینوع N ونوع P میباشد.
✍ ترانزیستورهای جدید به دو دسته کلی تقسیم میشوند: ترانزیستورهای اتصال دوقطبی (BJT) و ترانزیستورهای اثر میدانی(FET). اعمال جریان در BJTها و ولتاژ در FETها بین ورودی و ترمینال مشترک، میزان رسانایی بین خروجی و ترمینال مشترک را افزایش میدهد، از اینرو سبب کنترل جریان بین آنها میشود. مشخصات ترانزیستورها به نوع آن بستگی دارد.
✍ در مدارهای آنالوگ، ترانزیستورها در تقویت کنندهها استفاده میشوند، (تقویت کنندههای جریان مستقیم، تقویت کنندههای صدا، تقویت کنندههای امواج رادیویی) ومنابع تغذیه تنظیم شده خطی. همچنین از ترانزیستورها در مدارات دیجیتال بعنوان یک سوئیچ الکترونیکی استفاده میشود، اما به ندرت به صورت یک قطعه جدا، بلکه به صورت بهم پیوسته در مدارات مجتمع یکپارچه بکار میروند. مداراهای دیجیتال شامل گیتهای منطقی، حافظه با دسترسی تصادفی (RAM)، ریزپردازنده ها وپردازشگرهای سیگنال دیجیتال (DSPs) هستند.
✍ ترانزیستور میتواند به عنوان کلید نیز کار کند. ترانزیستور سه پایه دارد : بیس ، کلکتور و امیتر.
#آشنایی_با_قطعات_الکترونیک
🔻🔻🔻
🆔 @electrolearn
🔘 آشنایی با مقاومت NTC 🔘
✍ یک مقاومت حرارتی با ضریب منفی است . به این صورت که با افزایش دما ، مقاومت آن کاهش پیدا می کند .
✍ از این مقاومت ها در مدارات محافظ و … به منظور تنظیم جریان بار در هنگام گرم شدن بیش از حد ترانزیستور ، آی سی و … استفاده می شود .
#آشنایی_با_قطعات_الکترونیک
🔻🔻🔻
🆔 @electrolearn
✍ یک مقاومت حرارتی با ضریب منفی است . به این صورت که با افزایش دما ، مقاومت آن کاهش پیدا می کند .
✍ از این مقاومت ها در مدارات محافظ و … به منظور تنظیم جریان بار در هنگام گرم شدن بیش از حد ترانزیستور ، آی سی و … استفاده می شود .
#آشنایی_با_قطعات_الکترونیک
🔻🔻🔻
🆔 @electrolearn
🔘 طریقه تست مقاومت NTC 🔘
✍ برای تست این قطعه ابتدا مولتی متر را در وضعیت اهمی قرار می دهیم بعد دو سر پراپ ها را به دو سر مقاومت NTC وصل میکنیم حال کافیست به این مقاومت کمی گرما بدهیم با انجام این کار اهم مقاومت افزایش یافته و اعداد مولتی متر تغییر میکند در این صورت مقاومت سالم است.
#تست_قطعات_الکترونیک
🔻🔻🔻
🆔 @electrolearn
✍ برای تست این قطعه ابتدا مولتی متر را در وضعیت اهمی قرار می دهیم بعد دو سر پراپ ها را به دو سر مقاومت NTC وصل میکنیم حال کافیست به این مقاومت کمی گرما بدهیم با انجام این کار اهم مقاومت افزایش یافته و اعداد مولتی متر تغییر میکند در این صورت مقاومت سالم است.
#تست_قطعات_الکترونیک
🔻🔻🔻
🆔 @electrolearn
🔘 تشخیص اهم مقاومت از روی رنگ بدنش 🔘
✍ حلقه اول از سمت چپ، رقم اول و حلقه ی دوم، رقم دوم مقاومت را نشان می دهد. رقم سوم، ضریب مقاومت به صورت n ١٠ است كه n در ستون چهارم جدول بالا داده شده است.
✍ حلقه ی چهارم، درصد خطا در تعیین مقاومت را مشخص می كند. به عنوان مثال فرض كنید حلقه ی اول قرمز، حلقه ی دوم بنفش و حلقه ی سوم سیاه است. قرمز معرف عدد ٢ و بنفش معرف عدد ٧ می باشد. بنابراین مشخص می شود كه دو رقم اولِ مقدار مقاومت مورد نظر ٢٧ است. چون حلقه ی سوم سیاه است ٠ = n بوده و اندازه مقاومت Ω ٢٧ است.
#تشخیص_اهم_مقاومت_از_رنگ_روی_بدنش
🔻🔻🔻
🆔 @electrolearn
✍ حلقه اول از سمت چپ، رقم اول و حلقه ی دوم، رقم دوم مقاومت را نشان می دهد. رقم سوم، ضریب مقاومت به صورت n ١٠ است كه n در ستون چهارم جدول بالا داده شده است.
✍ حلقه ی چهارم، درصد خطا در تعیین مقاومت را مشخص می كند. به عنوان مثال فرض كنید حلقه ی اول قرمز، حلقه ی دوم بنفش و حلقه ی سوم سیاه است. قرمز معرف عدد ٢ و بنفش معرف عدد ٧ می باشد. بنابراین مشخص می شود كه دو رقم اولِ مقدار مقاومت مورد نظر ٢٧ است. چون حلقه ی سوم سیاه است ٠ = n بوده و اندازه مقاومت Ω ٢٧ است.
#تشخیص_اهم_مقاومت_از_رنگ_روی_بدنش
🔻🔻🔻
🆔 @electrolearn
⚠️ نکته ⚠️
✍ در تعمیر مدار های مختلف ابتدا باید آن مدار را به اجزاء مختلف تقسیم کنید و بعد به تست آن به پردازید
با این کار زودتر به قطعه خراب دست پیدا خواهید کرد
#نکته
🔻🔻🔻
🆔 @electrolearn
✍ در تعمیر مدار های مختلف ابتدا باید آن مدار را به اجزاء مختلف تقسیم کنید و بعد به تست آن به پردازید
با این کار زودتر به قطعه خراب دست پیدا خواهید کرد
#نکته
🔻🔻🔻
🆔 @electrolearn
🔘تجزیه منبع تغذیه سوئیچینگ🔘
✍ این تصویر یک منبع تغذیه سوئیچینگ است که اجزاء مختلف آن مشخص شده است.
#منبع_تغذیه
🔻🔻🔻
🆔 @electrolearn
✍ این تصویر یک منبع تغذیه سوئیچینگ است که اجزاء مختلف آن مشخص شده است.
#منبع_تغذیه
🔻🔻🔻
🆔 @electrolearn
📢 کانال الکترولرن
📌آموزش تست قطعات الکترونیک
📌آموزش تعمیر لوازم الکترونیکی
📌آموزش کارکرد قطعات الکترونیک
📌کلی چیزهای دیگر
👇👇👇
https://telegram.me/electrolearn
🔻🔻🔻
🆔 @electrolearn
📌آموزش تست قطعات الکترونیک
📌آموزش تعمیر لوازم الکترونیکی
📌آموزش کارکرد قطعات الکترونیک
📌کلی چیزهای دیگر
👇👇👇
https://telegram.me/electrolearn
🔻🔻🔻
🆔 @electrolearn
الکترونیک کاربردی.pdf
3.5 MB
🔘 کتاب الکترونیک کاربردی 🔘
✍ کتابی جامع و کامل در مورد مفاهیم کاربردی در الکترونیک و آشنایی با قطعات الکترونیک می باشد.
💰 قیمت در بازار: ۳۰۰۰ تومان
#کتاب_الکترونیک
🔻🔻🔻
🆔 @electrolearn
✍ کتابی جامع و کامل در مورد مفاهیم کاربردی در الکترونیک و آشنایی با قطعات الکترونیک می باشد.
💰 قیمت در بازار: ۳۰۰۰ تومان
#کتاب_الکترونیک
🔻🔻🔻
🆔 @electrolearn
This media is not supported in your browser
VIEW IN TELEGRAM
🔘فیلم تعمیر برد لباس شویی🔘
✍ این فیلم به صورت ساده و ابتدایی به شما چگونگی تعمیر خروجی های برد لباس شویی و تعمیر آن را آموزش میدهد.
#فیلم_آموزشی
🔻🔻🔻
🆔 @electrolearn
✍ این فیلم به صورت ساده و ابتدایی به شما چگونگی تعمیر خروجی های برد لباس شویی و تعمیر آن را آموزش میدهد.
#فیلم_آموزشی
🔻🔻🔻
🆔 @electrolearn
🔘 آشنایی با اپتوکوپلر 🔘
✍اپتوکوپلر (optocoupler) یک قطعه الکترونیکی می باشد که به صورت IC تولید می شود.
✍ کار اصلی اپتوکاپلر ایزوله کردن دو نقطه از مدار با استفاده از نور میباشد.(اگه مدار داخلیش رو ببینی منظور از نور رو متوجه میشی)
✍ این IC از ۲ بخش تشکیل شده :
1⃣ فرستنده نوری که معمولا یک دیود ناشر نور میباشد(LED)
2⃣ بخش گیرنده نوری که میتواند یک فتوترانزیستور و بین این دو بخش هیچ جریان الکتریکی وجود نداره و کاملا مجزا از همدیگه هستند و تنها نور قابل انتقال می باشد.
#آشنایی_با_قطعات_الکترونیک
🔻🔻🔻
🆔 @electrolearn
✍اپتوکوپلر (optocoupler) یک قطعه الکترونیکی می باشد که به صورت IC تولید می شود.
✍ کار اصلی اپتوکاپلر ایزوله کردن دو نقطه از مدار با استفاده از نور میباشد.(اگه مدار داخلیش رو ببینی منظور از نور رو متوجه میشی)
✍ این IC از ۲ بخش تشکیل شده :
1⃣ فرستنده نوری که معمولا یک دیود ناشر نور میباشد(LED)
2⃣ بخش گیرنده نوری که میتواند یک فتوترانزیستور و بین این دو بخش هیچ جریان الکتریکی وجود نداره و کاملا مجزا از همدیگه هستند و تنها نور قابل انتقال می باشد.
#آشنایی_با_قطعات_الکترونیک
🔻🔻🔻
🆔 @electrolearn
🔘 طریقه تست اپتوکوپلر 🔘
✍ با توجه به شکل زیر اپتوکوپلر شکلی همانند آی سی دارد و تشخیص آن با توجه به اسم درج شده بر روی برد است که معمولاً اپتوکوپلر ها را با p نمایش میدهند تست این قطعه توسط مولتی متر صورت میگیرد به این صورت که مولتی متر را در وضعیت دیود چک قرار میدهیم در سمتی که پایه اول اپتوکوپلر مشاهده میشود ( سمتی از بدنه که نقطه دارد)
پراپ ها را به دو سر پایه ها وصل میکنیم مولتی متر عددی حدود ۱۰۰۰ نشان میدهد یکی یکی پایه های این سمت را به همین صورت تست می کنیم.
در سمت دیگر اپتوکوپلر پایه ها به صورت هیچ عنوان نباید به یکدیگر راه بدهند ( مولتی متر هیچ عددی نشان نمی دهد)
اگر مشکلی پیش نیامد اپتوکوپلر سالم می باشد در غیر اینصورت اپتوکوپلر خراب است.
#تست_قطعات_الکترونیک
🔻🔻🔻
🆔 @electrolearn
✍ با توجه به شکل زیر اپتوکوپلر شکلی همانند آی سی دارد و تشخیص آن با توجه به اسم درج شده بر روی برد است که معمولاً اپتوکوپلر ها را با p نمایش میدهند تست این قطعه توسط مولتی متر صورت میگیرد به این صورت که مولتی متر را در وضعیت دیود چک قرار میدهیم در سمتی که پایه اول اپتوکوپلر مشاهده میشود ( سمتی از بدنه که نقطه دارد)
پراپ ها را به دو سر پایه ها وصل میکنیم مولتی متر عددی حدود ۱۰۰۰ نشان میدهد یکی یکی پایه های این سمت را به همین صورت تست می کنیم.
در سمت دیگر اپتوکوپلر پایه ها به صورت هیچ عنوان نباید به یکدیگر راه بدهند ( مولتی متر هیچ عددی نشان نمی دهد)
اگر مشکلی پیش نیامد اپتوکوپلر سالم می باشد در غیر اینصورت اپتوکوپلر خراب است.
#تست_قطعات_الکترونیک
🔻🔻🔻
🆔 @electrolearn
🔘 مدار تستر اپتوکوپلر 🔘
✍ شما با این مدار به آسانی می توانید اپتوکوپلر ها را تست کنید.
⚠️ این روش برای تست اپتوکوپلر در بیرون از مدار می باشد.
📝 لیست قطعات :
✏️R1,R3,R4: 330Ω
✏️R2: 1KΩ
✏️D1: 1N4007 or 1N4001
✏️Q1: 2N3904 NPN
ولتاژ ورودی هم 9 ولت و LED ها هم معمولی می باشند.
#تستر_قطعات_الکترونیک
🔻🔻🔻
🆔 @electrolearn
شماتیک مدار 👇👇👇
✍ شما با این مدار به آسانی می توانید اپتوکوپلر ها را تست کنید.
⚠️ این روش برای تست اپتوکوپلر در بیرون از مدار می باشد.
📝 لیست قطعات :
✏️R1,R3,R4: 330Ω
✏️R2: 1KΩ
✏️D1: 1N4007 or 1N4001
✏️Q1: 2N3904 NPN
ولتاژ ورودی هم 9 ولت و LED ها هم معمولی می باشند.
#تستر_قطعات_الکترونیک
🔻🔻🔻
🆔 @electrolearn
شماتیک مدار 👇👇👇
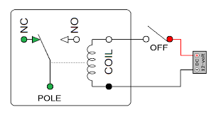
🔘 آشنایی با رله 🔘
✍ مستطیل است که معادل کنتاکتورهای الکتریکی عمل می کند ، رله ها در انواع و ولتاژ های مختلفی ساخته می شوند و در بازار و مدارات الکتریکی و دستگاه های الکترونیکی به فراوانی وجود دارد ، کاربرد رله در قطع و وصل جریان الکتریکی به وسیله یک جریان دیگر است ، در رله یک آهنربای الکتریکی وجود دارد که زمانی که ولتاژ به آن اعمال می شود به شکل آهنربا در می آید و باعث می شود کنتاکتهایی که در رله کارگذاری شده اند جا به جا شوند و در نتیجه مانند یک کلید چند جریان متفاوت را قطع و وصل کند ، بدین ترتیب عمل قطع و وصل یا سوییچ کردن توسط خود مدار و یک جریان الکتریکی انجام می شود و دست انسان در این کار نقشی ندارد و این از خصوصیات اصلی رله است .
✍ مزیتی که رله نسبت به قطعات مشابه دیگر از جمله ترانزیستور دارد این است که می تواندولتاژ ها و جریان های بسیار بالایی را براحتی و بدون مشکل قطع و وصل کند . ، رله ها در ولتاژ ها 3 و 6 و 12 و 24 ولتی و بیشتر موجود می باشند که این ولتاژ نشانه ولتاژ لازم برای راه اندازی رله است ، بدیعی است که رله توانایی قطع و وصل کردن ولتاژ های خیلی بالاتری را داراست.
#آشنایی_با_قطعات_الکترونیک
🔻🔻🔻
🆔 @electrolearn
✍ مستطیل است که معادل کنتاکتورهای الکتریکی عمل می کند ، رله ها در انواع و ولتاژ های مختلفی ساخته می شوند و در بازار و مدارات الکتریکی و دستگاه های الکترونیکی به فراوانی وجود دارد ، کاربرد رله در قطع و وصل جریان الکتریکی به وسیله یک جریان دیگر است ، در رله یک آهنربای الکتریکی وجود دارد که زمانی که ولتاژ به آن اعمال می شود به شکل آهنربا در می آید و باعث می شود کنتاکتهایی که در رله کارگذاری شده اند جا به جا شوند و در نتیجه مانند یک کلید چند جریان متفاوت را قطع و وصل کند ، بدین ترتیب عمل قطع و وصل یا سوییچ کردن توسط خود مدار و یک جریان الکتریکی انجام می شود و دست انسان در این کار نقشی ندارد و این از خصوصیات اصلی رله است .
✍ مزیتی که رله نسبت به قطعات مشابه دیگر از جمله ترانزیستور دارد این است که می تواندولتاژ ها و جریان های بسیار بالایی را براحتی و بدون مشکل قطع و وصل کند . ، رله ها در ولتاژ ها 3 و 6 و 12 و 24 ولتی و بیشتر موجود می باشند که این ولتاژ نشانه ولتاژ لازم برای راه اندازی رله است ، بدیعی است که رله توانایی قطع و وصل کردن ولتاژ های خیلی بالاتری را داراست.
#آشنایی_با_قطعات_الکترونیک
🔻🔻🔻
🆔 @electrolearn
🔘 طریقه تست رله 🔘
✍ تست این قطعه بسیار ساده میباشد به این صورت که برای تست آن باید به پایه های بوبین رله ولتاژی که بر روی بدنه آن درج شده داده شود در صورتی که رله کار کرد ( صدایی ناشی از خوردن بوبین از رله خارج میشود) رله سالم است. در غیر این صورت رله خراب می باشد.
#تست_قطعات_الکترونیک
🔻🔻🔻
🆔 @electrolearn
✍ تست این قطعه بسیار ساده میباشد به این صورت که برای تست آن باید به پایه های بوبین رله ولتاژی که بر روی بدنه آن درج شده داده شود در صورتی که رله کار کرد ( صدایی ناشی از خوردن بوبین از رله خارج میشود) رله سالم است. در غیر این صورت رله خراب می باشد.
#تست_قطعات_الکترونیک
🔻🔻🔻
🆔 @electrolearn